为您的 COM 应用程序添加图像处理和扫描功能!
图像处理功能简单易用!还支持网络摄像头!
|
强大的图像处理能力! ImageKit10 ActiveX 组件可让您快速轻松地为应用程序添加图像处理功能。借助 ImageKit10 ActiveX,您可以编写以下应用程序:从 TWAIN 扫描仪和数码相机检索图像;加载和保存图像文件;转换图像格式;编辑图像、在图像上绘制形状和文本;显示和打印图像;将图像显示为缩略图等等。ImageKit10 的几乎所有功能也都可通过 DLL 风格的 API 实现。 ImageKit10 ActiveX 组件可通过 COM 封装器在 Visual Studio(2005 及更高版本)中使用。ImageKit10 ActiveX 包含适用于各种受支持开发环境的示例程序,方便您快速上手。每个示例程序都清晰地演示了一到两个关键功能,便于理解,也方便您在自己的应用程序中查找实现该功能所需的代码。
ImageKit10 ActiveX 具有与以往一样稳定、易于使用的功能,支持 32 位和 64 位环境,并提供 unicode 和 ansi 版本。
在保持先前版本“ImageKit 9 ActiveX”的稳定性和可用性的同时,我们增加了扫描功能和PDF文件保存功能。
|
以下公司在协助我们实现扫描功能方面给予了特别大的帮助!
ImageKit10 ActiveX
ImageKit10 ActiveX 控件包含五个组件:ImageKit 控件;三个网络摄像头控件(录制、播放、预览);以及缩略图控件。ImageKit 控件提供全面的图像处理、打印、绘图和扫描功能。网络摄像头控件允许您对来自网络摄像头的视频图像进行编程和操作。缩略图控件提供了一个简便的界面,用于以缩略图形式显示图像。这些控件提供四个版本:64 位 Unicode 版本、32 位 Unicode 版本、64 位 ANSI 版本和 32 位 ANSI 版本。
下面,我们将介绍这些控件的一些主要功能。
ImageKit 控件
主要功能—— ImageKit 控件提供以下功能:可以从 TWAIN 扫描仪和数码相机检索图像;可以显示和编辑图像;可以在图像上绘制文本和形状;可以对图像应用效果滤镜和变换;可以从两个单独的图像创建合成图像;可以加载和保存图像文件;可以转换图像格式;可以打印图像等等。
ImageKit 控件设计视图属性页

缩略图控件
主要功能——缩略图控件提供了一个易于使用的界面,用于以缩略图形式显示图像。选择单个缩略图即可显示原始图像;选择多个缩略图,将缩略图信息保存到文件以便快速加载,等等。
缩略图控件设计视图属性页

记录控件
主要功能——录制控件功能可从网络摄像头捕获视频。
预览控件
主要功能——预览控件功能允许您预览网络摄像头。
播放控件
主要功能——播放控件功能可播放网络摄像头视频。
触摸屏功能
现在支持在平板电脑上使用触摸功能
捏合缩小和张开放大

触摸滚动

触摸编辑时
选择对象非常重要。使用鼠标或触摸时,选择区域的大小会自动改变。

网络摄像头功能
支持网络摄像头预览、录制(保存为avi和wmv格式)和播放(avi、mpeg等格式)功能。

ImageKit10 预览控件

网络摄像头设置对话框

图像显示和编辑功能
ImageKit控件提供了强大的图像显示和编辑功能。
自动显示照片的垂直和水平方向 - 新功能!
现在可以从智能手机拍摄的 JPEG 照片中提取 Exif 信息,并自动调整照片的垂直和水平显示方向。
(*如果存在相应的 Exif 信息)
显示栅格数据 - 支持 BMP、FPX、GIF、EXIF JPEG、JPEG、JPEG2000、PCX、PNG、TIFF、TIFF CCITTRLE、TIFF G3、TIFF G4、TIFF LZW、TIFF Packbits、TIFF JPEG 等格式。
显示矢量数据(DXF(2D)、WMF、EMF、SVG - 未压缩、SXF)
以下是 DXF 数据加载到 ImageKit 控件中并显示后的结果:

ImageKit控件可以在其边框上显示刻度标尺,或者在图像上方显示网格。
显示刻度线(支持像素、毫米、英寸单位)
在图像上显示网格(支持像素、毫米、英寸单位)
ImageKit控件的图层接口提供了多层功能。
图层接口允许您创建能够同时显示 JPEG 等栅格图像和 DXF 等矢量数据的应用程序!
同时显示栅格图像和矢量图像(最多 100 个不同的图像图层)

基础图像 + 栅格图像 + 矢量图像 + 分级标尺 + 网格

在工具提示(tooltip)中显示坐标
通过鼠标拖动滚动
以高质量显示黑白(1 位颜色)图像
自动避免在缩小黑白(1 位颜色)图像尺寸时丢失数据。

缩放显示模式:
如果图像大于 ImageKit 控件,图像将缩放以适应控件。
实际大小显示模式:
如果图像大于 ImageKit 控件,则会自动显示滚动条。
实际大小显示模式(无滚动条):
如果图像大于 ImageKit 控件,则不显示滚动条,图像也不会缩放。
拉伸显示模式:
图像将调整大小以适应 ImageKit 控件的尺寸。
设置图像的显示位置:
使用此功能,您甚至可以将图像显示在 ImageKit 控件的最底部。
The Pan Window(支持栅格数据和矢量数据)
ImageKit控件提供了一个实用的Pan Window,可以在ImageKit控件中仅显示图像的一部分时,显示整个图像。ImageKit控件中显示的图像部分会在Pan Window中用一个矩形框标记出来。您可以通过在Pan Window中移动该矩形框来滚动ImageKit控件中显示的图像部分。ImageKit控件中同时显示的多个图像也会显示在平移窗口中。该控件支持栅格图像和矢量图像。
这里显示的是在 Pan Window和 ImageKit 控件中显示的矢量图像

滚动条控制功能:
不仅可以用鼠标滚动,还可以用代码滚动。这包括对角滚动!
区域选择:
您可以选择图像上的特定区域进行处理。这非常简单,只需将鼠标悬停在图像上即可。区域选择也可以通过代码实现。
图像编辑工具栏
图像编辑工具栏提供了一个易于使用的图像编辑界面。这些工具栏同时支持栅格数据和矢量数据。
栅格图像编辑工具栏
使用此工具栏处理栅格图像,可以进行缩放、旋转、选择整个图像或选择矩形区域或自由绘制区域、旋转选定区域、撤销更改、使用钢笔工具、从图像中提取颜色、绘制矩形、椭圆、圆角矩形、直线、曲线等形状、填充颜色、使用喷枪或橡皮擦、设置自定义图章、绘制文本、设置字体、复制和粘贴、设置前景色和背景色、边框等操作。
在栅格图像上徒手选择和旋转区域

只需三行代码,即可为您的最终用户提供功能丰富的图像编辑界面……
矢量图像编辑工具栏
使用此工具栏对矢量图像进行缩放、旋转、撤销更改、移动矢量元素、选择单个元素、选择区域中的元素、绘制矩形、椭圆、圆角矩形、直线、多边形、折线等形状、加载栅格图像并嵌入它们、绘制文本、设置字体、设置前景色和背景色、边框等。
这显示了矢量图像编辑工具栏,用于选择和更改矢量对象。

矢量对象(红线所示)的弹出菜单属性

更改矢量图像中的文本


图像特效和变换函数
ImageKit控件提供了多种特效滤镜和变换功能。
将栅格数据转换为矢量数据
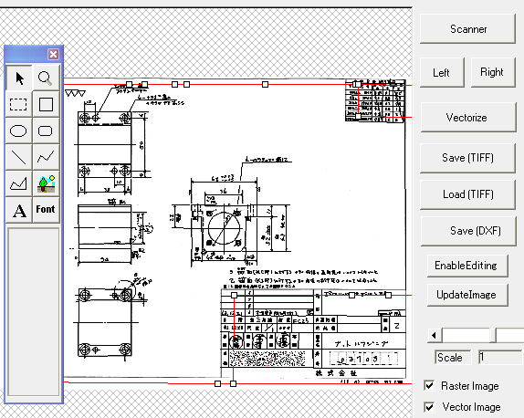
没错!您可以将栅格图像转换为矢量数据。只需将那些旧的手绘图纸和蓝图放入图像扫描仪扫描,然后保存为 JPEG 或 BMP 文件即可。之后,利用矢量化功能,将这些图像转换为 DXF 或其他矢量格式。这样可以避免纸质图纸不可避免的损坏,矢量化数据易于缩放,并可重复用作 CAD 数据等等。
这是一个扫描、矢量化和保存图表的程序示例。

抗锯齿显示矢量数据
通过使用抗锯齿,您可以平滑矢量数据中的粗糙边缘。在以下两幅图中,请注意形状和文本(数字)的轮廓。
无抗锯齿

抗锯齿

数字水印:
在图像中嵌入“不可见”的版权信息或徽标,以便日后能够检测到它。
嵌入数字水印

检查图像中的水印

创建新图像
选择图像上的区域,并仅对这些区域应用更改。
从现有图像创建合成图像
使用PasteImage方法或LayerImage方法将两张图像组合。设置附件位置、设定整体透明度、指定透明颜色、裁剪多余区域、翻转图像或创建镜像等。